clicks:1884 Entry time:2020-05-26 10:14:30【Print this page】【return】
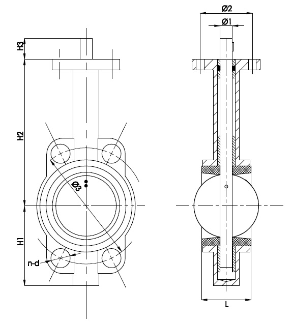
Wafer Type Butterfly Valve
Body:Cast Iron/Ductile Iron
Disc:DI/SS304/SS316
SEAT:EPDM/NBR
Lever Op/Gear Op
Dimension :