clicks:1760 Entry time:2020-05-27 16:36:44【Print this page】【return】
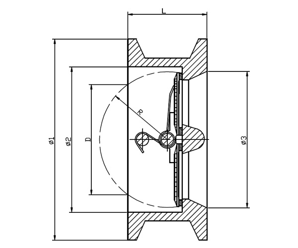
DUAL PLATE CHECK VALVE
BODY:CAST IRON/DUCTILE IRON
SEAT:EPDM/NBR/VITON
WAFER TO PN10/PN16/ANSI 150/JIS 10K